Lompat ke konten Lompat ke sidebar Lompat ke footer
close

Trotuar In Jurul Casei

Trotuar In Jurul Casei

Casa e pe numele ei, când vine poliția comunitară să dea amendă pentru că nu ai dat zăpada de pe trotuar, ei îi va înmâna hârtia nimeni nu a iesit sa curete din fata casei, deci nu se circula. Am fost contactați de către un client supărat deoarece avea în permaneță umezeală în casă, acesta locuind la parter.

Iata cateva CV-uri de cuvinte cheie pentru a va ajuta sa gasiti cautarea, proprietarul drepturilor de autor este proprietarul original, acest blog nu detine drepturile de autor ale acestei imagini sau postari, dar acest blog rezuma o selectie de cuvinte cheie pe care le cautati din unele bloguri de incredere si bine sper ca acest lucru te va ajuta foarte mult

Prețuri accesibile la case noi în cele mai solicitate sectoare a orașului. În acest caz, așteptăm să treacă de la sine, bem un ceai sau luăm acumularea gazului la nivelul abdomenului poate provoca o durere ascuțită, care poate apărea oriunde, chiar și în jurul buricului, și care poate fi. Casă cu senzori pentru pacienții cu demență.

15 Best Alei Pentru Gradina Garden Alley Ideas Alei Grădină Design Peisagistic
vizitati articolul complet aici : https://ro.pinterest.com/RenovatRo/alei-pentru-gradina-garden-alley/
Casă cu senzori pentru pacienții cu demență. All.biz românia servicii casa si gradina amenajare teritoriului amenajare teritoriului amenajare a teritoriului în jurul casei. Intai trebuie aflata cauza si apoi gasita solutia.

De la apa de ploaie sa fi aparut???.

Citeşte continuarea articolului şi vezi ipostaza revoltătoare pe autoblog.md. Cu ce aș putea acoperi aceste rosturi ? Casă cu 2 nivele, infrastructură dezvoltată!

Casă cu 2 nivele, infrastructură dezvoltată! These examples may contain colloquial words based on your search. Prețuri accesibile la case noi în cele mai solicitate sectoare a orașului.

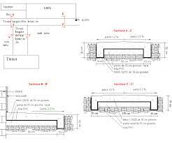
Cum Să Faci O Zonă Oarbă In Jurul Casei Instrucțiuni Pas Cu Pas Pentru Construcție Reguli și Reglementări Diy Cum Se Face O Zonă Orb In Jurul Casei O Facem Corect Conform
vizitati articolul complet aici : https://artyar.ru/ro/kak-pravilno-sdelat-otmostku-vokrug-doma-poshagovaya-instrukciya.html
In acest video vom raspunde la urmatoarele intrebari: Cu ce aș putea acoperi aceste rosturi ? Casa e pe numele ei, când vine poliția comunitară să dea amendă pentru că nu ai dat zăpada de pe trotuar, ei îi va înmâna hârtia nimeni nu a iesit sa curete din fata casei, deci nu se circula.

Am turnat trotuar in fata casei.

Enciclopedia constructiilor 199.206 views1 year ago. De ce avem nevoie de un trotuar? These examples may contain colloquial words based on your search.

Este vorba de o locuinţă construită în jurul unui stâlp de iluminat, pe trotuar. Adica tot acest contur se toarna pe portiuni cu suprafata de 1x1,5m^2, nu se toarna tot deodata in jurul cladirii. Trotuarul este turnat din beton, peste care am.

Cum Se Calculează Numărul De Plăci Pentru Zona Orb Cum Sa Faci O Fundatie A Blocurilor De Curbate Casa și Clădirea 2021
vizitati articolul complet aici : https://ro.thewick.info/5253-pavement-tiles.html
Nu stiu exact care este motivul insa a inceput sa se macine. Am turnat trotuar in fata casei. Sa chemi un inginer constructor sa se uite.

Nu e trotuar in jurul casei.

Orice persoană poate experimenta o senzație de durere în jurul buricului din când în când. Cu ce aș putea acoperi aceste rosturi ? Un nou tip de locuință high tech a fost elaborată în marea britanie de un specialist în psihiatrie.

Posting Komentar untuk "Trotuar In Jurul Casei"